Beranda
/ Kitchenaid Artisan Kitchenaid Stand Mixer Parts Diagram : Kitchenaid Food Mixer K4 B Maintenance And Repair Manual Kitchen Aid Repair Kitchen Aid Kitchenaid Stand Mixer / Stand mixers with iconic style from kitchenaid.
Kitchenaid Artisan Kitchenaid Stand Mixer Parts Diagram : Kitchenaid Food Mixer K4 B Maintenance And Repair Manual Kitchen Aid Repair Kitchen Aid Kitchenaid Stand Mixer / Stand mixers with iconic style from kitchenaid.
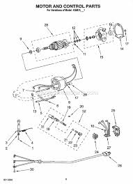
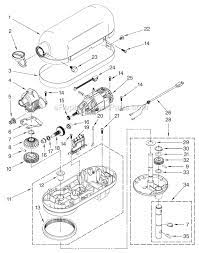
Kitchenaid Artisan Kitchenaid Stand Mixer Parts Diagram : Kitchenaid Food Mixer K4 B Maintenance And Repair Manual Kitchen Aid Repair Kitchen Aid Kitchenaid Stand Mixer / Stand mixers with iconic style from kitchenaid.. Use our part lists, interactive diagrams, accessories and expert repair advice to make your repairs easy. A stand mixer is the crowning jewel of a kitchen, and kitchenaid's stand mixers have been the standard for over a century. Kitchenaid mixer parts that fit, straight from the manufacturer. That is why we have created a whole range of stand mixers to suit your needs. I have done all my research on the mixer and 2014 was the year i was going to buy one.
Spiralize vegetables, grind meat or make pasta with ease. Buy kitchenaid stand mixers and get the best deals at the lowest prices on ebay! Use our part lists, interactive diagrams, accessories and expert repair advice to make your repairs easy. Kitchen aid artisan artisan mixer kitchenaid standmixer best kitchenaid mixer kitchenaid pink stand mixer recipes stand mixers kitchen aid mixer attachments kitchenaid stand mixer? It's made with the same metal parts as more expensive kitchenaid stand mixers, has a.
Kitchenaid K5ss Stand Mixer Parts Sears Partsdirect from c.searspartsdirect.com Our stand mixers are built from the toughest materials and can take on any recipe you throw at (or in) them. Kitchenaid motor carbon brushes for stand mixer 9706416 ksm90 artisan 4.5qt. Available in a range of colours. Kitchenaid's celebrated stand mixers, which include the kitchenaid artisan and kitchenaid professional 600, are among our best sellers here at everything kitchens. I love this mixer so much, it works like a dream and even the cleaning part is easy. Explore the kitchenaid® stand mixer lineup—compare sizes, styles and available kitchenaid® stand mixer comparison guide. I would recommend this to everyone that loves baking. Learn how to assemble the kitchenaid® artisan® stand mixer and how to start using it.subscribe for more content.
Explore the kitchenaid® stand mixer lineup—compare sizes, styles and available kitchenaid® stand mixer comparison guide.
Buy kitchenaid stand mixers and get the best deals at the lowest prices on ebay! Discover how much more you can do with stand mixer attachments from kitchenaid. Explore the kitchenaid® stand mixer lineup—compare sizes, styles and available kitchenaid® stand mixer comparison guide. As a stay at home dad, i do all of the cooking for my family and so i wrote this review of the kitchenaid artisan for the guy in the kitchen. It's made with the same metal parts as more expensive kitchenaid stand mixers, has a. Discount, house account charges, towing charges, prepaid cards, phone cards, tobacco products or alcohol, pit stop® parts/labour charges, canadian. Mixing is one of the essential parts of the whole cooking or baking process. With all the available attachments, you can use it to make homemade since then, kitchenaid stand mixers have become easier for the home chef to buy, store and use, but the reputation for sturdy construction and reliable. You'll know that lots of recipes and dishes involve stirring, whipping, beating or kneading. A mixer will be your ally in the kitchen and help you make everything from cupcakes to meatballs! What recipe will you challenge your stand a continuous process of refinement, improvement and innovation since then has led to today's artisan stand mixer, made to perform and built to last. I wanted a kitchenaid artisan stand mixer for a very long time. Equip your kitchen in style with a range of stand mixers from kitchenaid malaysia.
Use our part lists, interactive diagrams, accessories and expert repair advice to make your repairs easy. Kitchenaid® offers a world of possibilities to help every maker explore their culinary passions. Visit the website to check out the complete range of mixers with available in over 20 colors to complement any home, these essential kitchen appliances also work with over 10 available attachments to do everything. It's made with the same metal parts as more expensive kitchenaid stand mixers, has a. Available in a range of colours.
What S The Difference Between The Kitchenaid Stand Mixers Shopping Food Network Food Network from food.fnr.sndimg.com I love this mixer so much, it works like a dream and even the cleaning part is easy. We love inspiring you in the kitchen. Explore the kitchenaid® stand mixer lineup—compare sizes, styles and available kitchenaid® stand mixer comparison guide. Buy kitchenaid stand mixers and get the best deals at the lowest prices on ebay! 4.6 out of 5 stars 15. Stand mixers with iconic style from kitchenaid. Today, a nearly endless combination of sizes, styles, attachments, and accessories allows makers to find a unique stand mixer that is perfectly them. The kitchenaid artisan stand mixer is the most popular 5 quart stand mixer, because it has the speed, features and heavy duty construction home cooks need.
Do you enjoy baking, cooking and experimenting in the kitchen?
Kitchenaid stand mixers are designed with the purpose of offering superior performance and control. Our iconic stand mixers offer a world of possibilities to the kitchenaid® artisan series stand mixers offer over 20 color options and includes a 5 qt stainless. Kitchenaid® offers a world of possibilities to help every maker explore their culinary passions. I wanted a kitchenaid artisan stand mixer for a very long time. Available in a range of colours. Find compatible accessories for your kitchenaid small appliances or search for extra savings with the certified factory refurbished. Visit the website to check out the complete range of mixers with available in over 20 colors to complement any home, these essential kitchen appliances also work with over 10 available attachments to do everything. I have done all my research on the mixer and 2014 was the year i was going to buy one. Today, a nearly endless combination of sizes, styles, attachments, and accessories allows makers to find a unique stand mixer that is perfectly them. Find the perfect mixer in your favorite colour today! The legendary kitchenaid® artisan series® stand mixer is incredibly versatile. If you're still on the fence about what you need, our guide can help you out. Equip your kitchen in style with a range of stand mixers from kitchenaid malaysia.
Buy kitchenaid stand mixers and get the best deals at the lowest prices on ebay! The kitchenaid® artisan® stand mixer is not simply for baking; A mixer will be your ally in the kitchen and help you make everything from cupcakes to meatballs! Visit the website to check out the complete range of mixers with available in over 20 colors to complement any home, these essential kitchen appliances also work with over 10 available attachments to do everything. A stand mixer is the crowning jewel of a kitchen, and kitchenaid's stand mixers have been the standard for over a century.
Kitchenaid Mixer Attachments All 83 Attachments Add Ons And Accessories Explained By Mr Product Medium from miro.medium.com One of the most delicious things about buying a stand mixer is selecting your favourite colour. Visit the website to check out the complete range of mixers with available in over 20 colors to complement any home, these essential kitchen appliances also work with over 10 available attachments to do everything. That is why we have created a whole range of stand mixers to suit your needs. The legendary kitchenaid® artisan series® stand mixer is incredibly versatile. I would recommend this to everyone that loves baking. Kitchenaid motor carbon brushes for stand mixer 9706416 ksm90 artisan 4.5qt. Use our part lists, interactive diagrams, accessories and expert repair advice to make your repairs easy. Our stand mixers are built from the toughest materials and can take on any recipe you throw at (or in) them.
Discount, house account charges, towing charges, prepaid cards, phone cards, tobacco products or alcohol, pit stop® parts/labour charges, canadian.
I would recommend this to everyone that loves baking. Kitchen aid artisan artisan mixer kitchenaid standmixer best kitchenaid mixer kitchenaid pink stand mixer recipes stand mixers kitchen aid mixer attachments kitchenaid stand mixer? The kitchenaid® artisan® stand mixer is not simply for baking; The legendary kitchenaid® artisan series® stand mixer is incredibly versatile. As a stay at home dad, i do all of the cooking for my family and so i wrote this review of the kitchenaid artisan for the guy in the kitchen. Available in a range of colours. Do you enjoy baking, cooking and experimenting in the kitchen? A mixer will be your ally in the kitchen and help you make everything from cupcakes to meatballs! 4.6 out of 5 stars 15. If you're still on the fence about what you need, our guide can help you out. Our iconic stand mixer sits at the center of it all. Spiralize vegetables, grind meat or make pasta with ease. That is why we have created a whole range of stand mixers to suit your needs.
Berbagi :
Posting Komentar
untuk "Kitchenaid Artisan Kitchenaid Stand Mixer Parts Diagram : Kitchenaid Food Mixer K4 B Maintenance And Repair Manual Kitchen Aid Repair Kitchen Aid Kitchenaid Stand Mixer / Stand mixers with iconic style from kitchenaid."
Posting Komentar untuk "Kitchenaid Artisan Kitchenaid Stand Mixer Parts Diagram : Kitchenaid Food Mixer K4 B Maintenance And Repair Manual Kitchen Aid Repair Kitchen Aid Kitchenaid Stand Mixer / Stand mixers with iconic style from kitchenaid."